加载中...
帖子
关注
粉丝
首页
学堂
官方分类
用户
任务中心
登录
个人
我的信息
消息通知
帐号
帐号信息
修改密码
分类
我管理的
我加入的
邀请信息
申请信息
钱包
积分明细
导航
2023-05-14
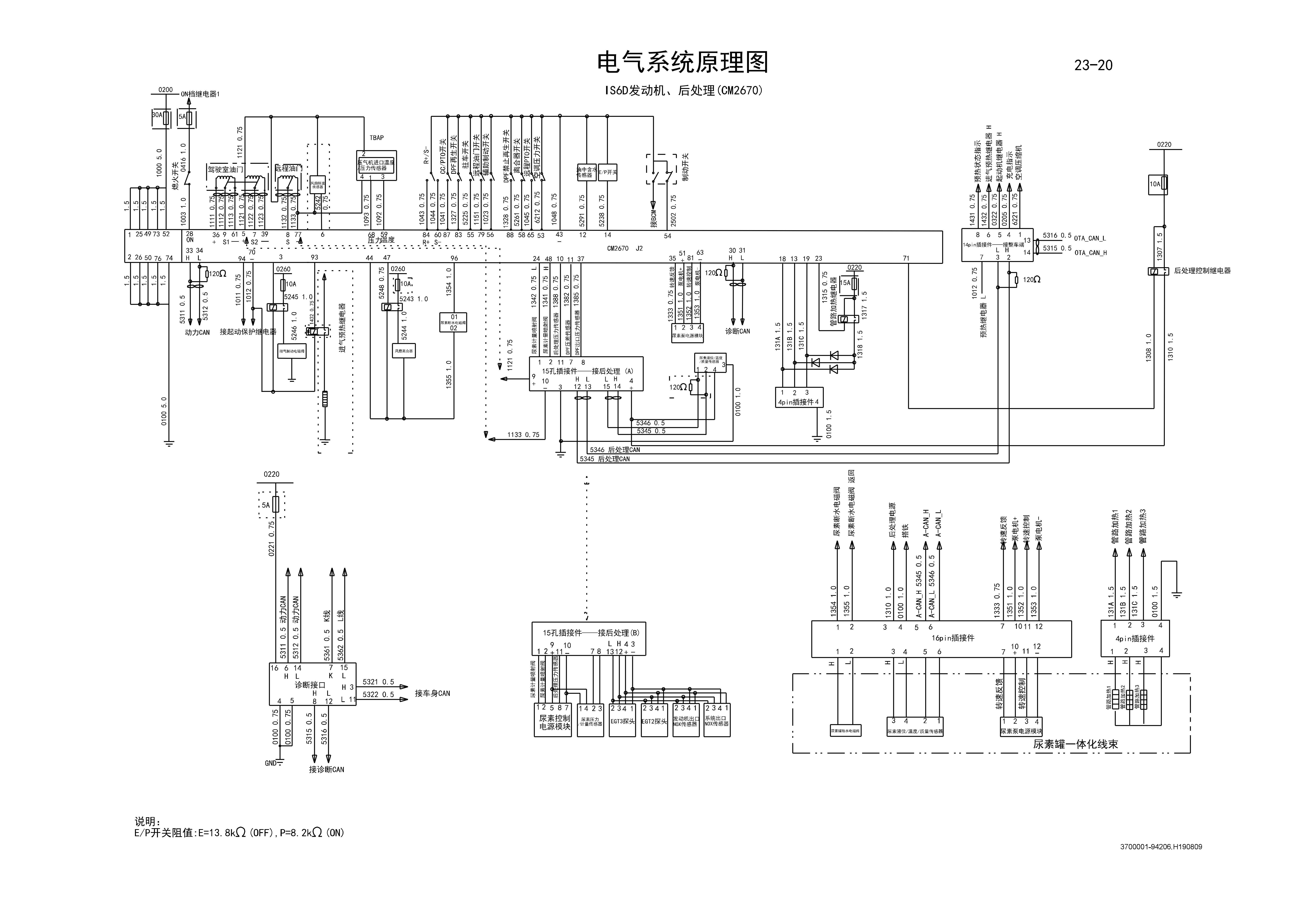
D560.KSCA.KSCB.KSCC.KSCD.KSCE.KSCW.KSCX.KSCY.H1909
5
护卡小象客服
D560.KSCA.KSCB.KSCC.KSCD.KSCE.KSCW.KSCX.KSCY.H1909
东风电路图
请登录后评论