加载中...
帖子
关注
粉丝
首页
学堂
官方分类
用户
任务中心
登录
个人
我的信息
消息通知
帐号
帐号信息
修改密码
分类
我管理的
我加入的
邀请信息
申请信息
钱包
积分明细
导航
2023-04-07
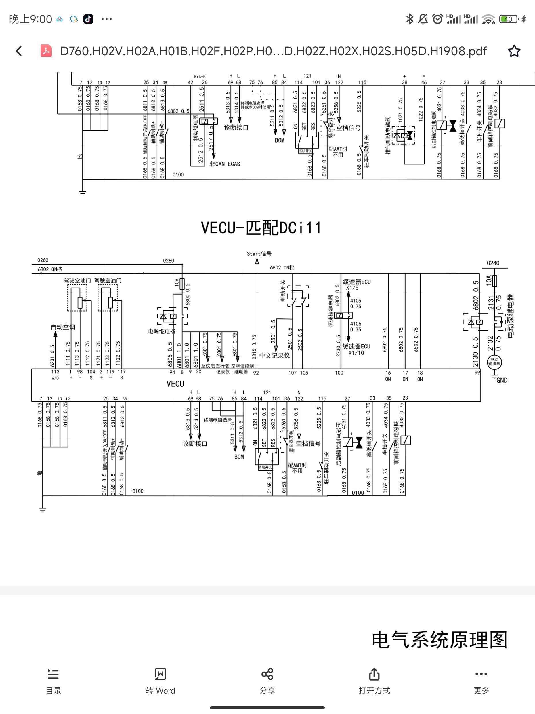
东风VECU针脚上电模板
6
闫松涛
东风VECU针脚上电模板
跳线图,16.17.18,ON档,19地线,8.9是继电器供电,
94是继电器控制端。
请登录后评论